有接点磁性开关与无接点磁性开关在工作原理、性能特点、应用场景等方面存在显著差异。
以下是对两者的详细比较:
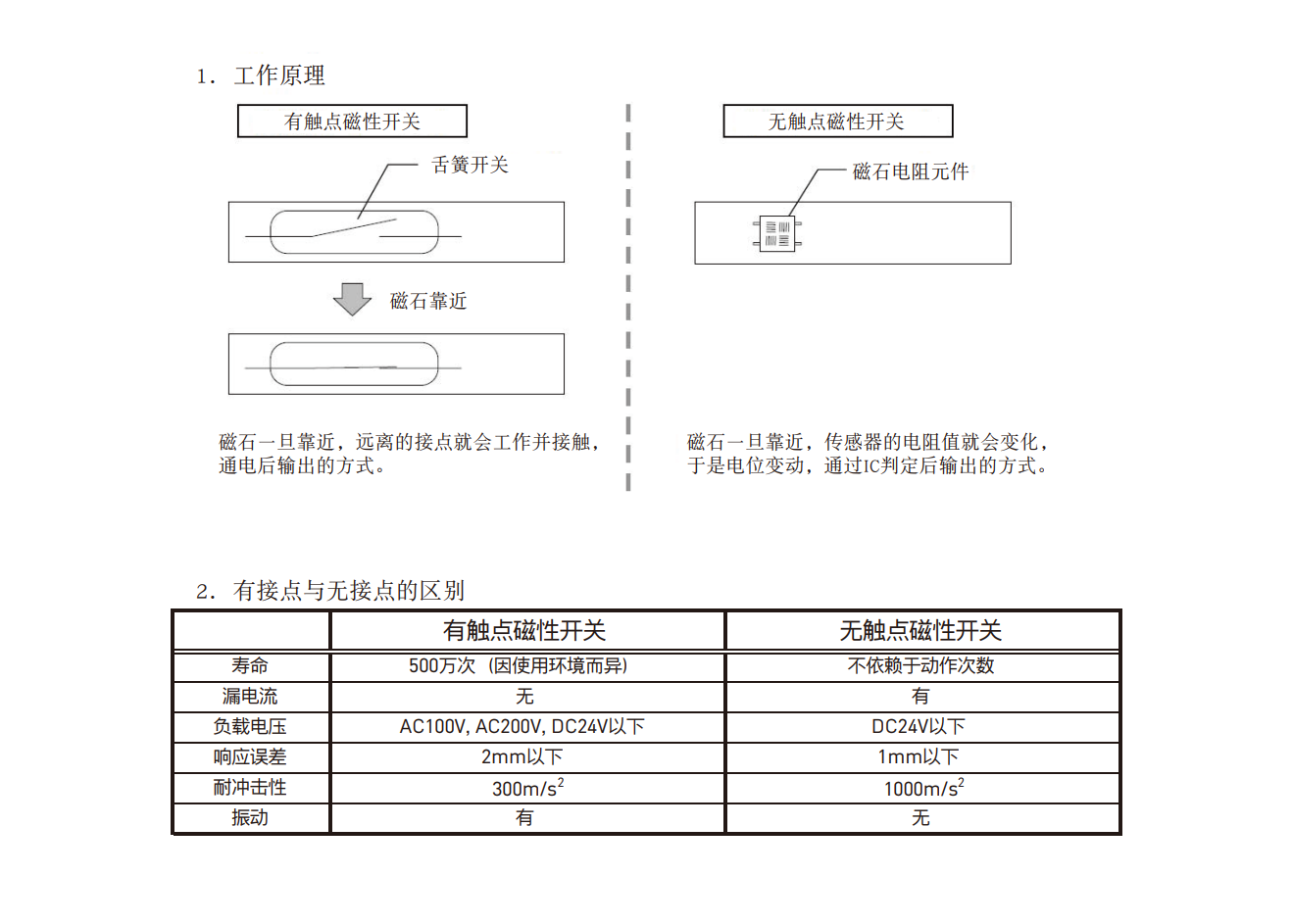
一、工作原理
有接点磁性开关
内部包含机械触点。
当外部磁场达到一定强度时,会驱动内部的磁体移动,使触点闭合或断开,从而改变电路状态。
无接点磁性开关
不包含机械触点,通常采用霍尔元件、干簧管等传感器来检测磁场变化。
当外部磁场作用于传感器时,会引起传感器内部电学性质的变化(如电阻、电压等),
从而将磁场信号转换为电信号输出。
二、性能特点
有接点磁性开关
可靠性高:由于采用物理触点进行连接和断开,其电气性能稳定,
适用于高负载和长时间运行的应用场景。
维护成本较低:触点结构相对简单,维修和更换较为方便。
寿命有限:触点在使用过程中会因磨损而逐渐失效,需要定期检查和更换。
存在电弧问题:在触点闭合或断开的瞬间,可能会产生电弧,对电路造成干扰甚至损坏。
无接点磁性开关
寿命长:由于没有机械触点,避免了因磨损而导致的失效问题,使用寿命更长。
响应速度快:传感器能迅速感知磁场变化并输出相应信号,提高了控制系统的实时性。
抗干扰能力强:采用先进的传感技术,能有效抵抗电磁干扰和振动影响。
成本高:由于采用了高精度传感器和复杂的电子电路,制造成本相对较高。
三、应用场景
有接点磁性开关
常用于重载、高频次操作的工业设备中,如机床、起重机等。
适用于一些对成本有一定要求,且对信号稳定性要求不高的应用场景。
无接点磁性开关
适用于对精度、可靠性和稳定性要求较高的场合,如精密仪器、自动化设备、智能家居等。
广泛应用于汽车电子、家用电器、医疗设备等领域。
有接点磁性开关利用舌簧开关的机械接点检测,进行输出。
无接点磁性开关则利用磁力检测元件和电路检测,进行输出。
详细的对比情况

欢迎您咨询任何技术方面的问题,我们会竭力为您服务。为获得更加及时准确的服务,请联络SMC代理商。
SMC合作咨询
400-832-1158
工作时间 : 8:00至18:40(周一至周日)
如有价格、交货期、销售服务网点、样本方面的问题,请咨询 400-832-1158

电话:400-832-1158